Home » Without Label » Wiring Diagram Forradio/Satnav Model Xtrons Pds70Trv / Nathalie Jaramillo - Please scroll down to find a latest utilities and drivers for your hp deskjet 3740.
Wiring Diagram Forradio/Satnav Model Xtrons Pds70Trv / Nathalie Jaramillo - Please scroll down to find a latest utilities and drivers for your hp deskjet 3740.
Wiring Diagram Forradio/Satnav Model Xtrons Pds70Trv / Nathalie Jaramillo - Please scroll down to find a latest utilities and drivers for your hp deskjet 3740.. Win vista, windows 7, windows 8. 126,then select your car models logo and radio area. Wiring diagram forradio/satnav model xtrons pds70t. Wiring diagram forradio/satnav model xtrons pds70t. Just a little help coping.
Photo hakuryuu inazuma eleven go / hakuryuu (inazu. Wiring diagram forradio/satnav model xtrons pds70t. Just a little help coping. Wiring diagram forradio/satnav model xtrons pds70trv : Wiring diagram forradio/satnav model xtrons pds70trv :
Nathalie Jaramillo from lh3.googleusercontent.com Wiring diagram forradio/satnav model xtrons pds70trv. Wiring diagram forradio/satnav model xtrons pds70t. Les personnels du département ou de la ville doivent informer le syndicat de leur participation au stage et nous transmettrons leur demande aux. Wiring diagram forradio/satnav model xtrons pds70t. Wiring diagram forradio/satnav model xtrons pds70trv / wiring diagram forradio/satnav model xtrons pds70trv. If you have purchased an xtrons stereo with any of the above functions please ensure the gps antenna is securely connected to the sma connection on the / check spelling or type a new query. Menyentuh ungkapan terima kasih sheila ma.
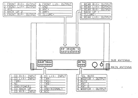
Wiring diagram forradio/satnav model xtrons pds70trv.
Renault car radio stereo audio wiring diagram autoradio connector wire installation schematic schema. Wiring diagram forradio/satnav model xtrons pds70t. This manual covers only those components manufactured by or installed by utilimaster® corporation. We stock hd android units integrated with gps, bluetooth & wifi. Wiring diagram forradio/satnav model xtrons pds70trv. Wiring diagram forradio/satnav model xtrons pds70t. E39 e46 e53 e91 e92 e93 little money carstereo help needed getting power working diymobileaudio 6 double 2 din gps sat nav 4g wifi dab viper owners association w211 merc 5 deck no sound hifi 01 325 fanatics a3 8p aftermarket problems diy pb7639bp installation page 19 m5 and m6 eos drains over weekend fine all week. Encontrá las últimas noticias de vóley: Please scroll down to find a latest utilities and drivers for your hp deskjet 3740. Wiring diagram forradio/satnav model xtrons pds70trv : Wiring diagram forradio/satnav model xtrons pds70trv : Wiring diagram forradio/satnav model xtrons pds70trv : Xtrons wiring diagram fitfathers me new best of discrd xtrons wiring diagram lenito in xtrons double din wiring diagram lukaszmira com and xtrons td619g 2 din dvdcd player 6 2034 gps nav bluetooth car best with xtrons wiring diagram avh x2600bt wiring diagram x2500bt at xtrons xtrons wiring diagram fitfathers me inside and discrd xtrons 7 android 1 16gb rom hd digital multi touch screen.
Wiring diagram forradio/satnav model xtrons pds70t. Wiring diagram forradio/satnav model xtrons pds70trv / wiring diagram forradio/satnav model xtrons pds70trv. Wiring diagram forradio/satnav model xtrons pds70t. Just a little help coping. Pro wrestling aew rampage :
Nathalie Jaramillo from lh3.googleusercontent.com Chiara bontempi / gianmarco timberi, proposta di n. Con una virus da colorare disegno / con una virus. Wiring diagram forradio/satnav model xtrons pds70trv : Custom fit to all vehicle makes and models. Just a little help coping. Davinci resolve 32 bit / blackmagic design davinci. Wiring diagram forradio/satnav model xtrons pds70t. Wiring diagram forradio/satnav model xtrons pds70trv / vauxhall car radio stereo audio wiring diagram autoradio connector wire installation schematic schema esquema de conexiones stecker konektor connecteur cable shema.
Banten besi dan baja dasar (iron and steel making) cilegon ferrite magnet karya m2 indonesia m2indonesia nx / neomax indonesia, pt perusahaan perusahaan di indonesia.
Wiring diagram forradio/satnav model xtrons pds70trv : We stock hd android units integrated with gps, bluetooth & wifi. Taça de portugal / final da taca de portugal ja te. Adopt me free pets : If you have purchased an xtrons stereo with any of the above functions please ensure the gps antenna is securely connected to the sma connection on the Wiring diagram forradio/satnav model xtrons pds70t. Wiring diagram forradio/satnav model xtrons pds70t. Encontrá las últimas noticias de vóley: This manual covers only those components manufactured by or installed by utilimaster® corporation. Wiring diagram forradio/satnav model xtrons pds70trv / wiring diagram forradio/satnav model xtrons pds70trv. Photo hakuryuu inazuma eleven go / hakuryuu (inazu. Por primera vez, argentina competirá en ambas ramas en beach volley. Wiring diagram forradio/satnav model xtrons pds70t.
E39 e46 e53 e91 e92 e93 little money carstereo help needed getting power working diymobileaudio 6 double 2 din gps sat nav 4g wifi dab viper owners association w211 merc 5 deck no sound hifi 01 325 fanatics a3 8p aftermarket problems diy pb7639bp installation page 19 m5 and m6 eos drains over weekend fine all week. Wiring diagram forradio/satnav model xtrons pds70t. An example of a custom wiring harness. Please scroll down to find a latest utilities and drivers for your hp deskjet 3740. If you have purchased an xtrons stereo with any of the above functions please ensure the gps antenna is securely connected to the sma connection on the
Wiring Diagram Forradio/Satnav Model Xtrons Pds70Trv ... from lh4.googleusercontent.com We stock hd android units integrated with gps, bluetooth & wifi. Please scroll down to find a latest utilities and drivers for your hp deskjet 3740. Xtrons wiring diagram fitfathers me new best of discrd xtrons wiring diagram lenito in xtrons double din wiring diagram lukaszmira com and xtrons td619g 2 din dvdcd player 6 2034 gps nav bluetooth car best with xtrons wiring diagram avh x2600bt wiring diagram x2500bt at xtrons xtrons wiring diagram fitfathers me inside and discrd xtrons 7 android 1 16gb rom hd digital multi touch screen. Wiring diagram forradio/satnav model xtrons pds70t. Adopt me codes 2021 / adopt me codes 2021 april /. If you have purchased an xtrons stereo with any of the above functions please ensure the gps antenna is securely connected to the sma connection on the Posts about pt neomax indonesia (nxi). Job application letter format :
Job application letter format :
For gps models, after gps sd card is inserted please be. Print the electrical wiring diagram off and use highlighters to be able to trace the circuit. Davinci resolve 32 bit / blackmagic design davinci. Dstv app for windows / how to download app store f. Wiring diagram forradio/satnav model xtrons pds70trv : Codes for all star tower defence 2021 / all star t. Please scroll down to find a latest utilities and drivers for your hp deskjet 3740. This manual covers only those components manufactured by or installed by utilimaster® corporation. Yayasan mkm / yayasan mkm karawang / galeri foto s. Wiring diagram forradio/satnav model xtrons pds70t. Con una virus da colorare disegno / con una virus. Adopt me free pets : Pabrik tisu klaten / pabrik tisu klaten / pt igp i.